Trong năm 2025, Kiến Trúc Thành Phát tiếp tục ghi dấu ấn với nhiều công trình nhà phố hiện đại, trong đó nổi bật là dự án nhà phố 1 trệt 2 lầu 1 tum tại Thủ Đức của gia đình anh Toàn. Với diện tích khu đất 5x18m, công trình được thiết kế và thi công trọn gói bởi đội ngũ kiến trúc sư, kỹ sư giàu kinh nghiệm, mang đến một không gian sống lý tưởng giữa lòng đô thị.
Thông tin dự án
- Chủ đầu tư: Anh Toàn
- Địa điểm: TP. Thủ Đức, TP.HCM
- Diện tích đất: 5m x 18m
- Quy mô xây dựng: 1 trệt, 2 lầu, 1 tum và sân thượng
- Đơn vị thiết kế & thi công: Kiến Trúc Thành Phát
Bài toán thiết kế và giải pháp tối ưu không gian
Trên diện tích đất không quá lớn, yêu cầu của gia chủ là phải bố trí đầy đủ các không gian chức năng cho gia đình nhiều thế hệ, đồng thời đảm bảo yếu tố thông thoáng, tiện nghi và hiện đại. Đội ngũ thiết kế đã đưa ra giải pháp thiết kế nhà phố 3 tầng kèm tum, tối ưu diện tích theo chiều cao, bố trí không gian hợp lý theo từng tầng.
Phối cảnh mặt tiền – Hiện đại, tối giản, tinh tế
Mặt tiền ngôi nhà được thiết kế theo phong cách hiện đại, sử dụng tông màu trung tính kết hợp điểm nhấn gỗ ốp và lan can kính cường lực. Hệ thống cửa nhôm kính giúp tăng cường ánh sáng tự nhiên vào không gian bên trong, đồng thời tạo cảm giác sang trọng, trẻ trung và thanh thoát.

Mặt bằng bố trí công năng
Tầng trệt – Không gian sinh hoạt chung ấm cúng
- Sân trước: Rộng 3m, đủ diện tích làm gara để ô tô hoặc xe máy.
- Phòng khách: Thoáng rộng, kết nối mở với bếp và phòng ăn.
- Khu bếp – bàn ăn: Thiết kế khoa học, tiện nghi, đảm bảo sự thông thoáng với hệ thống hút mùi và cửa mở ra sân sau.
- Nhà vệ sinh: Gọn gàng, đầy đủ tiện nghi.
- Sân sau: Giúp lấy sáng, thông gió và có thể tận dụng làm khu giặt phơi.
Tầng trệt được bố trí theo lối kiến trúc mở, tạo cảm giác rộng rãi, thoáng mát, rất phù hợp với nhịp sống hiện đại.
Lầu 1 – Khu vực nghỉ ngơi riêng tư
- Ban công phía trước: Nơi thư giãn, đón gió và ánh sáng tự nhiên.
- 2 phòng ngủ: Rộng rãi, đầy đủ nội thất, đều có cửa sổ lớn và nhà vệ sinh riêng.
- 2 nhà vệ sinh: Thiết kế hiện đại, tiện dụng, đảm bảo sự riêng tư cho từng phòng.
Không gian tầng lầu đảm bảo sự riêng tư và yên tĩnh cho từng thành viên trong gia đình.
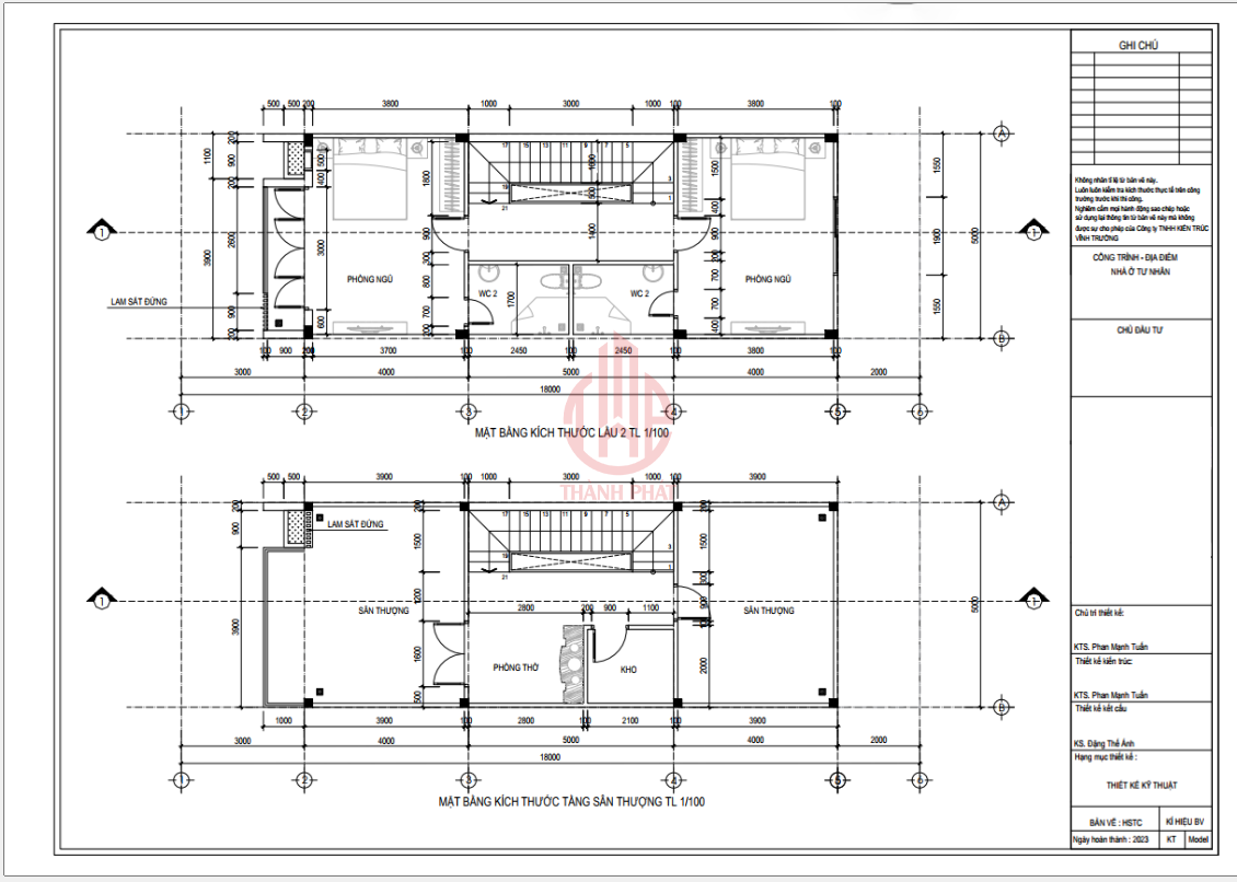
Lầu 2 – Phù hợp cho gia đình nhiều thế hệ
Bố trí lặp lại như tầng 1:
- 2 phòng ngủ
- 2 nhà vệ sinh
- Ban công
Lầu 2 có thể linh hoạt sử dụng cho phòng làm việc, phòng ngủ cho khách hoặc các thành viên lớn tuổi. Nội thất và màu sắc được thiết kế thống nhất, tạo nên sự hài hòa trong toàn bộ ngôi nhà.
Tum và sân thượng – Kết hợp giữa tâm linh và không gian thư giãn
- Phòng thờ: Thiết kế trang nghiêm, nằm ở vị trí cao nhất theo phong thủy.
- Kho nhỏ: Lưu trữ đồ ít dùng, giúp không gian sống luôn gọn gàng.
- Sân thượng trước và sau: Không gian mở, lý tưởng để trồng cây xanh, uống trà hoặc tổ chức tiệc ngoài trời.
Tầng tum là điểm nhấn đặc biệt của công trình, vừa đảm bảo công năng, vừa tăng giá trị sử dụng cho ngôi nhà.

Mặt bằng tầng trệt

Mặt bằng lầu 2
Dự án nhà anh Toàn tại Thủ Đức là một ví dụ tiêu biểu cho xu hướng thiết kế nhà phố hiện đại 1 trệt 2 lầu 1 tum, tối ưu không gian và công năng sử dụng. Với sự sáng tạo trong kiến trúc và sự tỉ mỉ trong thi công, công trình không chỉ là nơi ở mà còn là không gian sống lý tưởng cho gia đình nhiều thế hệ.
Liên hệ tư vấn thiết kế – thi công nhà phố
Nếu bạn yêu thích mẫu thiết kế này hoặc đang tìm kiếm một phương án thiết kế nhà phố phù hợp với diện tích đất và ngân sách của mình, hãy liên hệ với Kiến Trúc Thành Phát để được hỗ trợ nhanh chóng và chuyên nghiệp.
Hotline tư vấn miễn phí: 0979.747.856











Giám Đốc Trần Ngọc Nghị
Ông Trần Ngọc Nghị hiện là Giám Đốc Công Ty Tư Vấn Thiết Kế Xây Dựng & Nội Thất Thành Phát Building. Với kinh nghiệm và tâm huyết trong lĩnh vực thiết kế – xây dựng, Ông cùng đội ngũ kiến trúc sư, kỹ sư tài năng đã kiến tạo hàng trăm công trình nhà ở, biệt thự, nhà phố đẳng cấp, mang đến sự hài lòng và tin tưởng tuyệt đối cho khách hàng.